Công thức tính điện trở tương đương Công thức vật lý 9
Cách tính điện trở tương đương
Công thức điện trở tương đương được biên soạn bao gồm đáp án chi tiết cho từng bài tập giúp các bạn học sinh ngoài bài tập trong sách giáo khoa (sgk) có thể luyện tập thêm các dạng bài tập cơ bản nhất để biết được cách giải các bài toán bằng cách lập phương trình. Đây là tài liệu tham khảo hay dành cho quý thầy cô và các vị phụ huynh lên kế hoạch ôn tập học kì môn Toán lớp 9. Các bạn học sinh có thể luyện tập nhằm củng cố thêm kiến thức lớp 9 của mình. Mời các bạn học sinh và quý thầy cô cùng tham khảo chi tiết.
A. Điện trở tương đương
- Điện trở tương đương (Rtd) của một đoạn mạch gồm các điện trở là điện trở có thể thay thế cho đoạn mạch này, sao cho với cùng hiệu điện thế thì cường độ dòng điện chạy qua đoạn mạch vẫn có giá trị như trước.
B. Cách tính điện trở tương đương
a. Đoạn mạch nối tiếp
- Điện trở tương đương của đoạn mạch nối tiếp bằng tổng các điện trở thành phần:
Rtđ = R1 + R2 +…+ Rn
- Cường độ dòng điện có giá trị như nhau tại mọi điểm: I = I1 = I2 = …. = In
- Hiệu điện thế giữa hai đầu mỗi điện trở thành phần bằng tổng hiệu điện thế giữa hai đầu mỗi điện trở thành phần: U = U1 + U2 + … + Un
b. Đoạn mạch song song
- Điện trở tương đương của đoạn mạch song song được tính theo công thức:
![]()
- Hiệu điện thế giữa hai đầu đoạn mạch song song bằng hiệu điện thế giữa hai đầu mỗi đoạn mạch rẽ: U = U1 = U2 = …. = Un
- Cường độ dòng điện chạy qua mạch chính bằng tổng cường độ dòng điện chạy qua các mạch rẽ: I = I1 + I2 + … + In
C. Bài tập tính điện trở tương đương
Ví dụ: Cho mạch điện gồm ba điện trở R1 = 5 Ω, R2 = 10 Ω, R3 = 15 Ω được mắc nối tiếp vào hiệu điện thế U = 12V.
a) Tính điện trở tương đương của đoạn mạch.
b) Tính hiệu điện thế giữa hai đầu mỗi điện trở.
Hướng dẫn giải
a) Ta có ba điện trở mắc nối tiếp với nhau
=> Rtđ = R1 + R2 + R3 = 5 + 10 + 15 = 30 (Ω)
b) Rtđ = 30Ω => ![]()
Do ba điện trở được mắc nối tiếp nhau => I = I1 = I2 = I3 = 0,4 (A)
=> ![]()
![]()
![]()
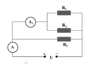
Ví dụ: Cho một mạch điện gồm ba điện trở R1 = 9 Ω, R2 = 18 Ω, R3 = 24 Ω được mắc vào hiệu điện thế U = 3,6V.

a) Tính điện trở tương đương của đoạn mạch.
b) Tính chỉ số ampe kế A và số chỉ I12 của ampe kế A1.
Hướng dẫn giải
a) Do các điện trở mắc song song với nhau

b) Cường độ dòng điện toàn mạch là:
![]()
=> Số chỉ của ampe kế A là 0,75A
Điện trở tương đương của đoạn mạch nối hai điện trở 1 và điện trở 2 là:

Ta lại có:
![]()
=> ![]()
=> số chỉ I12 của ampe kế A1 là 0,6A
Ví dụ: Viết công thức tính điện trở tương đương của các đoạn mạch sau:
a)
| b)
|
Hướng dẫn giải
a) Quan sát hình vẽ ta thấy điện trở R1 mắc nối tiếp với điện trở R2 song song với R3:
Khi đó điện trở tương đương tính như sau:

b) Quan sát hình vẽ ta thấy điện trở R1 mắc song song với điện trở R2 nối tiếp R3 song song với R4:
Khi đó điện trở tương đương tính như sau:

------------------------------------------------------------
Ngoài Công thức vật lí 9: Điện trở tương đương trên là tài liệu hữu ích cho các bạn ôn tập kiểm tra năng lực, bổ trợ cho quá trình học tập trong chương trình lớp 9 cũng như ôn luyện cho các kì thi sắp tới. Mời thầy cô và bạn đọc tham khảo thêm một số tài liệu liên quan: Hỏi đáp Toán 9, Lý thuyết Toán 9, Giải Toán 9, Luyện tập Toán 9, ... Chúc các bạn học tốt!
- Lượt xem: 66

